Metscope Ultra - Main View
Metscope Ultra - Image1
Metscope Ultra - Image2
Metscope Ultra - Image3
Metscope Ultra - Image4
Metscope Ultra - Image5
Metscope Ultra - Image6
Metscope Ultra - Image7

Metscope Ultra

    Focusing System: Adjustable focusing and stage controls for left- or right-hand operation, enhancing user comfort.

    Nomarski DIC Module: Creates a 3D relief-like image for detecting fine specimen details, ideal for LCD particles and surface scratches.

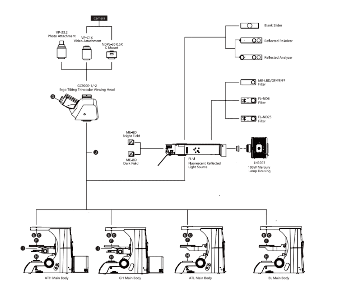
    Ergo Tilting Trinocular Head: Adjustable from 0° to 35°, compatible with DSLR and digital cameras, featuring a 3-position beam splitter (0:100, 100:0, 80:20).

    NIS45 Infinite Plan Semi-APO & APO Objectives: Advanced coating provides high-resolution images with natural color reproduction.

    Shortcut Button: Quickly switch between two pre-set objectives or assign other functions.

    NIS Infinite Optical System: High-precision optics for superior image clarity.

    Illumination: 5W LED Kohler illumination for both reflected and transmitted light, with ND6/ND25 filter, offering a 30,000-hour lifespan.

    Accessories: Includes a power cord and other essential components.

Download PDF

Metscope Ultra

Introduction:

Metscope Ultra upright metallurgical microscopes have been developed for research with a number of pioneering design in appearance and functions, with wide field of view, high definition and bright/dark field semi apochromatic metallurgical objectives and ergonomical operating system, they are born to provide a perfect research solution and develop a new pattern of industrial field. The objectives could be motorized controlled by the buttons on the microscope front base, the illumination intensity will change after changing objective.


Key Highlights:

Microscope Controls: Eyepiece tube can be adjustable from 0 ° to 35 °,Trinocular tube can be connected to DSLR camera and digital camera, having a 3-postion beam splitter (0:100, 100:0, 80:20), the splitter bar can be assembled on the either side according to user's requirement.

Focusing System: In order to make the system suitable for the operating habits of the operators, the knob of focusing and stage can be adjusted to the left-hand side or right-hand side. This design makes the operation more comfortable.

Nomarski DIC: With newly designed DIC module, the height difference of a specimen which can not be detected with brightfield becomes a relief-like or 3D image. It is ideal for the observation of LCD conducting particles and the surface scratches of hard-disk etc.

Shortcut Buttons: With this shortcut button, the user could switch 2 pre-set objectives fast. This shortcut button also could be set with other functions by users

Motorized Objective Switch and ECO function: Objectives could be switched by simply pressing the rotating buttons. Users could also self-define two of the most commonly used objectives and switch between these two objectives by pressing the green button. The light intensity will be automatically adjusted after you change the objective. The microscope light will be off automatically after 15 minutes from operators leaving. It not only saves energy, but also saves the lamp lifetime.

NIS45 Infinite Plan Semi-APO and APO Objectives: With high transparent glass and advanced coating technology, NIS45 objective lens can provide high resolution images and accurately reproduce the natural color of the specimens. For special applications, a variety of objectives is available, including polarizing and long working distance.


Optical SystemNIS Infinite Optical System
EyepiecesSW10X / 25 mm
Viewing HeadErgo Tilting Trinocular Head, adjustable 0°–35°, Interpupillary Distance 47–78 mm;

Siedentopf Trinocular Head, inclined at 30°; Siedentopf Binocular Head, inclined at 30°
ObjectivesSuitable for reflected & transmitted light; NIS Infinite Series:

5X/0.12 (W.D. 11.5 mm), 10X/0.25 (W.D. 12 mm), M Long Working Distance Plan 20X, 50X, 100X
NosepieceSextuplet Nosepiece
CondenserNA 0.65 Universal Condenser for transmitted/reflected light
IlluminationReflected Light: 5W LED lamp, Kohler illumination; Transmitted Light: 5W LED lamp, Kohler illumination, ND6/ND25 filter; LED life: 30,000 hours
FocusingCoaxial coarse & fine adjustment, fine division 1 Ξm, moving range 35 mm, sample space 76 mm
StageCeramic-coated double layer mechanical stage (Right or Left Handle), 190 mm × 152 mm × 78 mm × 32 mm, Vernier for X, Y coordinates
Special FeaturesNomarski DIC Module, Motorized Objective Switch, Shortcut Buttons for quick preset switching, ECO auto-off function
AccessoriesPower Cord